Suzhou Penny Machinery Equipment Ltd.,CO
G-Penny Machine 4.5KW ISO30 ATC Spindle motor Air cooled cnc milling machine
G-Penny Machine 4.5KW ISO30 ATC Spindle motor Air cooled cnc milling machine
Couldn't load pickup availability
Spindle motor Basic parameter:
Power: 4.5KW
Voltage: 220v/380v
Pole: 4
Frequency: 800Hz
Speed: 24000rpm
Chuck: ISO30
Proximity sensor type: PNP NO
Broaching force (N): 2000~2500
Bearings Type: 2x7008C DB & 2x7006C DB (4pcs Ceramic ball bearings)
Front and rear end vibration (mm/s): Less 1.0
Tool holder taper hole runout: Less 0.008
Spindle head runout: Less 0.02
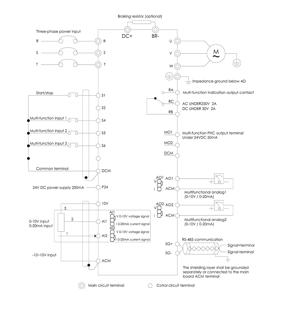
Inverter Basic parameter:
Power: 5.5kw-BD612
Input Voltage: 220v / 380v (±20%)
Input Phase: 1 or 3 phase
Input Frequency: 50-60Hz (±5Hz)
Output Voltage: 220v/380v
Output Phase: 3 phase
Output Current: 23A/13A
Output Frequency: 0-1000Hz
Control Method: Open-loop flux vector control
                  
                    
                    
                      Materials
                    
                  
                  
                
                Materials
                  
                    
                    
                      Shipping & Returns
                    
                  
                  
                
                Shipping & Returns
                  
                    
                    
                      Dimensions
                    
                  
                  
                
                Dimensions
                  
                    
                    
                      Care Instructions
                    
                  
                  
                
                Care Instructions
 
 
 
 
 
 
 
 
 
 
 
 

Image with text
Pair text with an image to focus on your chosen product, collection, or blog post. Add details on availability, style, or even provide a review.
-             
            Free ShippingPair text with an image to focus on your chosen product, collection, or blog post. Add details on availability, style, or even provide a review. 
-             
            Hassle-Free ExchangesPair text with an image to focus on your chosen product, collection, or blog post. Add details on availability, style, or even provide a review. 
 
   
   
   
   
   
   
   
   
   
   
   
  